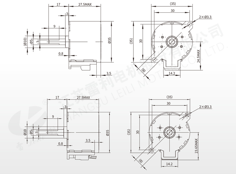
永磁步进减速电机 35BYJ412B
产品介绍
型号:35BYJ412B
haha体育永磁式步进电机(BYJ系列步进电机)的转子用永磁材料制成,转子的极数与定子的极数相同。其特点是动态性能好、输出力矩大。
应用领域
家电:空调、冰箱、自动门锁
工业:监控器、电子仪表
可选配零件
温馨提示:
以下产品参数为标准产品,我司可以根据客户的特殊需求做产品的设计、开发及生产。详情请邮件联系marketing@leiligroup.com。
以下产品参数为标准产品,我司可以根据客户的特殊需求做产品的设计、开发及生产。详情请邮件联系marketing@leiligroup.com。
产品参数
Array
机械尺寸



































