产品参数
| 电机型号 | 电压 V |
频率 (Hz) |
电流 (mA) |
功率 (W) |
行程 (mm) |
噪音 (A) |
耐水压 (KPA) |
反向耐水压 (KPA) |
绝缘等级 |
| DF1-3 | AC100 | 50/60 | ≤45 | ≤4 | 22-25 | ≤50 | 7.8 | 15 | E |
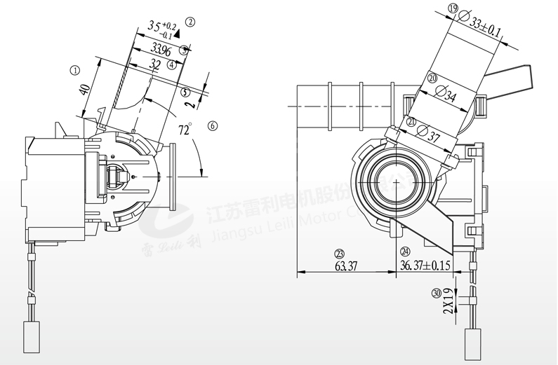
机械尺寸
| 电机型号 | 电压 V |
频率 (Hz) |
电流 (mA) |
功率 (W) |
行程 (mm) |
噪音 (A) |
耐水压 (KPA) |
反向耐水压 (KPA) |
绝缘等级 |
| DF1-3 | AC100 | 50/60 | ≤45 | ≤4 | 22-25 | ≤50 | 7.8 | 15 | E |