产品参数
20BY46M永磁PM步进电机具有机构简单,低噪音,转速可调,使用寿命长的特点。 永磁式步进电机,是由磁性转子铁芯通过与由定子产生的脉冲电磁场相互作用而产生转动。
永磁式步进电机一般为两相,转矩和体积较小,步进角一般为7.5度或15度。电机里有转子和定子两部分:可以是定子是线圈,转子是永磁铁;也可以是定子是永磁铁,转子是线圈。
| 电机型号 | 驱动方式 | 驱动电路 | 驱动电压 (V) |
电流 (mA) |
线圈电阻 (Ω) |
绝缘电阻 | 绝缘耐压 | 绝缘等级 |
| 20BY46M-4 | 2-2PHASE | BIPOLAR | 10.2 | -- | 80 | 100M[Ω]MIN | 500[V]AC1[min] | E |
| 20BY46M-104 | 2-2PHASE | BIPOLAR | 24 | 350 | 11 | 100M[Ω]MIN | 500[V]AC1[min] | E |
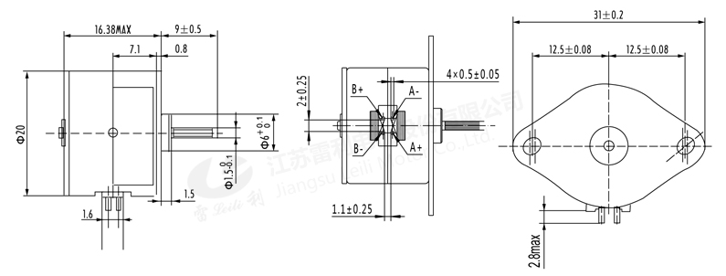
机械尺寸

产品介绍