产品参数
42BY418-147G永磁步进电机是一种感应电机,它的工作原理是利用电子电路,将直流电变成分时供电的,多相时序控制电流,用这种电流为步进电机供电,步进电机才能正常工作,驱动器就是为步进电机分时供电的,多相时序控制器 。
| 电机型号 | 步距角 | 驱动方式 | 驱动电路t | 驱动电压 | 电流 | 线圈电阻 | 绝缘电阻 | 绝缘耐压 | 绝缘等级 |
| 42BY418-147G | 72(5°/Step) | 2-2PHASE | BIPOLAR | 12[V] | 0.8[A] | 7.6[Ω] | 100M[Ω]MIN | AC 500[V]1[min] | CLASS E |
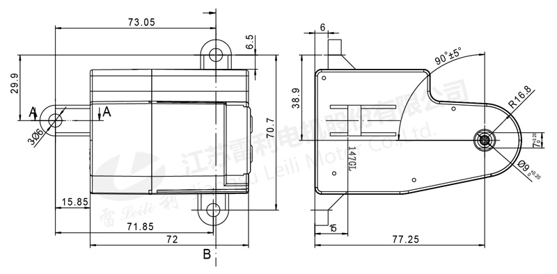
机械尺寸

产品介绍