haha体育

扫地机动轮电机28ZYJ1-1/28ZYJ1-2

扫地机动轮电机28ZYJ1-1/28ZYJ1-2

产品介绍

扫地机动轮电机28ZYJ1-1/28ZYJ1-2

应用领域

扫地机器人

可选配零件

温馨提示:
以下产品参数为标准产品,我司可以根据客户的特殊需求做产品的设计、开发及生产。详情请邮件联系marketing@leiligroup.com

产品参数

电压
(DC.V)
减速比 空载电流
(A)
空载转速(r/min) 堵转电流
(A)
堵转扭矩
mN.m
噪音
dB(A)
12 1/64.4 ≤0.4 100±10 ≤3 ≥1000 ≤60
 

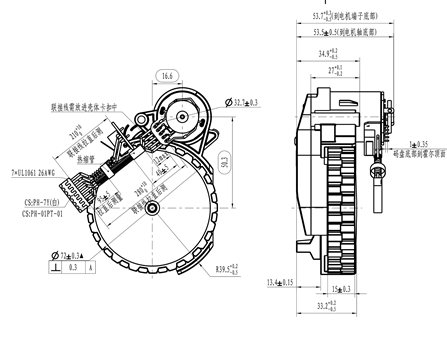
机械尺寸