产品参数
| 电机型号 | 额定电压 (VAC) |
额定频率 (Hz) |
转速 (RPM) |
空载功率 (W) |
输出力矩 (kgf·cm) |
温升 (K) |
噪音 (A) |
绝缘等级 |
| 50SM40 | 24 100-120 200-240 |
50/60 | 1.1/1.3 | ≤7 | 30 | ≤75 | ≤40 | E |
| 1.6/2 | ≤7 | 30 | ≤75 | ≤40 | ||||
| 5/6 | ≤7 | 10 | ≤75 | ≤40 | ||||
| 8.3/10 | ≤7 | 10 | ≤75 | ≤40 | ||||
| 11.5/13.8 | ≤7 | 7 | ≤75 | ≤40 | ||||
| 11.7/14 | ≤7 | 6 | ≤75 | ≤40 | ||||
| 15/18 | ≤7 | 4 | ≤75 | ≤40 | ||||
| 16.5/19.8 | ≤7 | 3.5 | ≤75 | ≤40 | ||||
| 20/24 | ≤7 | 3 | ≤75 | ≤40 | ||||
| 33.3/40 | ≤7 | 2.5 | ≤75 | ≤40 | ||||
| 40/48 | ≤7 | 2 | ≤75 | ≤40 |
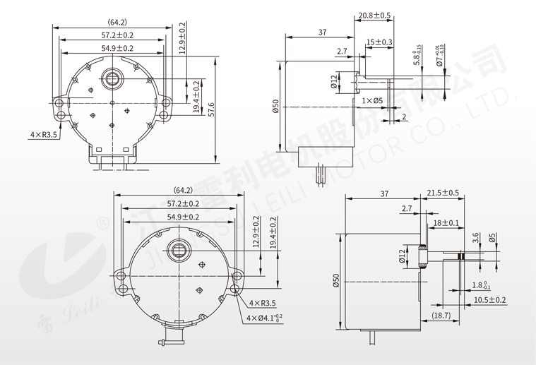
机械尺寸

产品介绍




























