产品参数
| 电机型号 | 额定电压 (VAC) |
频率 (Hz) |
转速 (RPM) |
空载电流 (mA) |
空载功率 (W) |
输出力矩 (kgf·cm) |
启动电压 (V) |
温升 (K) |
噪音 (A) |
绝缘等级 |
| 35SM25 | 120 | 60 | 2 | ≤10 | ≤3 | ≥0.95 | ≤90 | ≤60 | ≤40 | A |
| 230 | 50 | 0.868 | ≤10 | ≤3 | ≥1.81 | ≤190 | ≤60 | ≤40 | ||
| 120 | 60 | 1 | ≤10 | ≤3 | ≥1.73 | ≤90 | ≤60 | ≤40 |
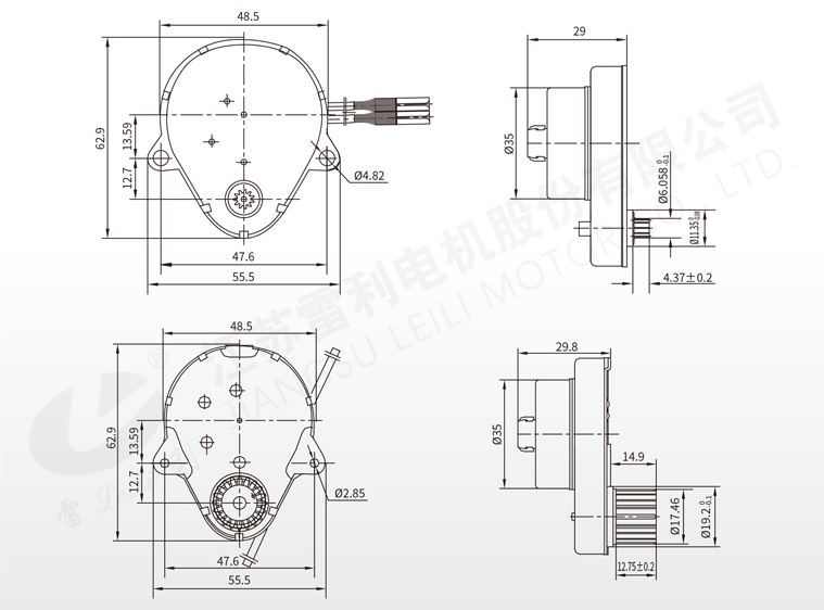
机械尺寸

产品介绍























