PM步进电机 直线推杆电机 25BY412
产品介绍
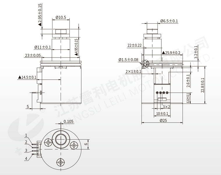
型号:直线推杆电机 25BY412
haha体育PM步进电机的转子使用永磁材料,通过转子和定子之间同性相斥异性相吸原理不断进行运转,一般为内转子型电机,圆柱形转子的外表面均匀分布着N、S极(外表面无齿)。PM步进电机一般为两相,扭矩和体积小。
应用领域
工业:阀门控制
可选配零件
温馨提示:
以下产品参数为标准产品,我司可以根据客户的特殊需求做产品的设计、开发及生产。详情请邮件联系marketing@leiligroup.com。
以下产品参数为标准产品,我司可以根据客户的特殊需求做产品的设计、开发及生产。详情请邮件联系marketing@leiligroup.com。
产品参数
| 电机型号 | 步矩角 (°) |
励磁方式 |
驱动方式 |
电压 (VDC) |
电流 / 相 (mA) |
线圈 电阻 / 相 (Ω) |
直线运动 距离 (mm) |
单步运动 距离 (mm) |
直线推力 (N) |
绝缘耐压 AC500V 1min (mA) |
噪音 (A) |
工作环境温度 (℃) |
| 25BY412 | 7.5 | 2-2 Phase |
双极性 Bipolar |
3.2 | / | 5 | 6max | 0.00208 | ≥ 150 | 3max | ≤ 50 ( 无异音 ) |
-10 ~ 50 |
机械尺寸

























