haha体育

57系列混合式步进电机

57系列混合式步进电机

产品介绍

混合式步进电机有八种机座,尺寸分别为14mm、20mm、28mm、35mm、42mm、57mm、60mm和 86mm。

应用领域

工业:监控器、OA金融设备、衡器、舞台灯光
运动健康:医疗器械

可选配零件

行星减速箱、丝杆、空心轴、驱动器

温馨提示:
以下产品参数为标准产品,我司可以根据客户的特殊需求做产品的设计、开发及生产。详情请邮件联系marketing@leiligroup.com

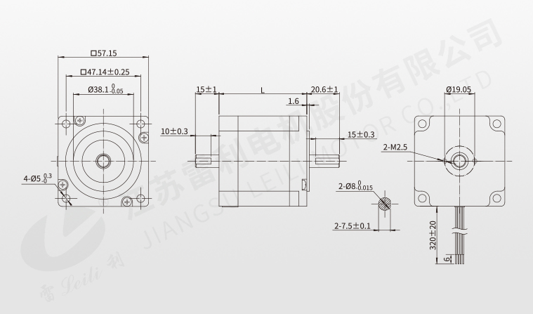
产品参数

 

机械尺寸