haha体育

永磁步进减速电机 35BYJ412B

永磁步进减速电机 35BYJ412B

产品介绍

型号:35BYJ412B
haha体育永磁式步进电机(BYJ系列步进电机)
的转子用永磁材料制成,转子的极数与定子的极数相同。其特点是动态性能好、输出力矩大。

应用领域

家电:空调、电风扇、智能洁具
工业控制:
安防监控、电子仪表

可选配零件

轴长,机座

温馨提示:
以下产品参数为标准产品,我司可以根据客户的特殊需求做产品的设计、开发及生产。详情请邮件联系marketing@leiligroup.com

产品参数

电机型号 电压
V
电阻
(Ω)
频率
(PPS)
牵入转矩
(mN.m)
自定位转矩
(mN.m)
空载牵入频率
(PPS)
空载牵出频率
(PPS)
温升
K
噪音
(A)
步距角
(1-2相)
绝缘等级
35BYJ412B 12 120 100 ≥147 ≥78.4 ≥250 ≥250 ≤65 ≤40 3.75°/42.5 E

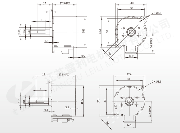
机械尺寸