haha体育

永磁步进减速电机 50BYJ46

永磁步进减速电机 50BYJ46

产品介绍

型号:50BYJ46
haha体育永磁式步进电机(BYJ系列步进电机)
的转子用永磁材料制成,转子的极数与定子的极数相同。其特点是动态性能好、输出力矩大。

应用领域

家电:空调、空气净化器

可选配零件

轴长,机座

温馨提示:
以下产品参数为标准产品,我司可以根据客户的特殊需求做产品的设计、开发及生产。详情请邮件联系marketing@leiligroup.com

产品参数

电机型号 电压
V
电阻
(Ω)
频率
(PPS)
牵入转矩
(mN.m)
自定位转矩
(mN.m)
空载牵入频率
(PPS)
空载牵出频率
(PPS)
温升
K
噪音
(A)
步距角
(1-2相)
绝缘等级
50BYJ46 12 50 200 ≥196 ≥260 ≥320 ≥350 ≤60 ≤40 7.5°/33.3 E
12 40 250 ≥200 ≥260 ≥350 ≥450 ≤60 ≤40 7.5°/43
12 60 100 ≥392 ≥343 ≥200 ≥200 ≤60 ≤40 7.5°/60
12 70 100 ≥550 ≥600 ≥200 ≥200 ≤60 ≤40 7.5°/99
24 110 250 ≥343 ≥260 ≥350 ≥450 ≤60 ≤40 7.5°/43
24 150 250 ≥637 ≥600 ≥400 ≥400 ≤60 ≤40 7.5°/60
24 250 100 ≥588 ≥588 ≥200 ≥200 ≤60 ≤40 7.5°/99

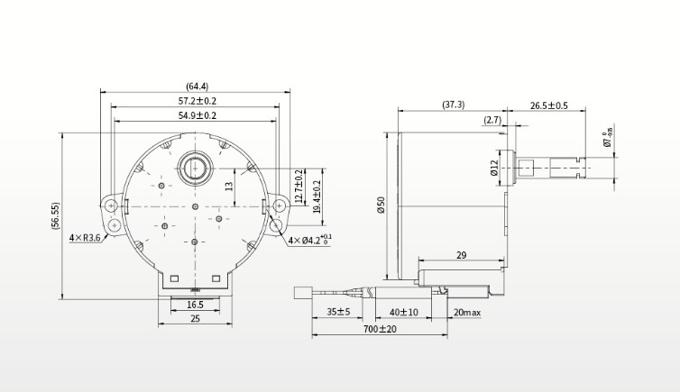
机械尺寸