haha体育

交流同步冷凝泵

产品介绍

应用领域

干衣机
排水系统

可选配零件

温馨提示:
以下产品参数为标准产品,我司可以根据客户的特殊需求做产品的设计、开发及生产。详情请邮件联系marketing@leiligroup.com

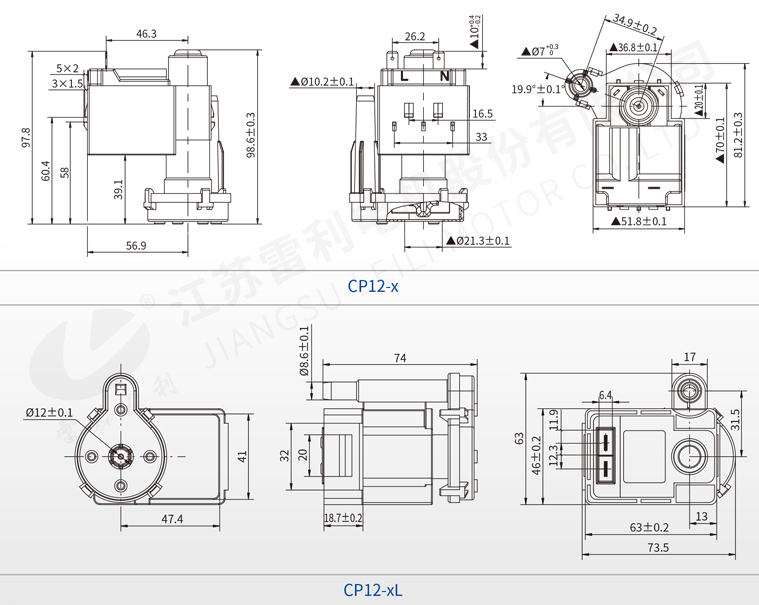
产品参数

型号
Model
线圈
Wire
定子
Stator
额定电压
Rated
Voltage
(V AC)
额定频率
Rated
Frequency
(Hz)
功率
Power
(W)
电流
Current
(A)
启动电压
Starting
Voltage
(V)
扬程
Lift
(m)
流量
Flow Rate
(L/min)
转速
RPM
(r/min)
绝缘等级
Insulation
Class
CP12-x Cu 18mm 220-240 50 6 0.06 155 0.8 2 3000 F
CP12-xL Al 25mm 220-240 50 17 0.2 187 1.5 3.5 3000
CP12-xL Al 220-240 60 20 0.3 187 1.5 3.5 3600

机械尺寸