产品参数
haha体育汽车无刷电机FK-130SH,欢迎来电咨询
| 电机型号 |
电压
|
空载
|
在最大效率时
|
堵转
|
||||||||
| 工作范围 (V) |
额定 (V) |
速度 (r/min) |
电流 (A) |
速度 (r/min) |
电流 (A) |
扭矩 (mN.m) |
扭矩 (g.cm) |
输出 (W) |
扭矩 (mN.m) |
扭矩 (g.cm) |
电流 (A) |
|
| FK-130SH | 3.5-10 | 5 | 15224 | 0.0313 | 11815 | 01.228 | 2.94 | 30 | 3.637 | 13.13 | 133.97 | 4.4 |
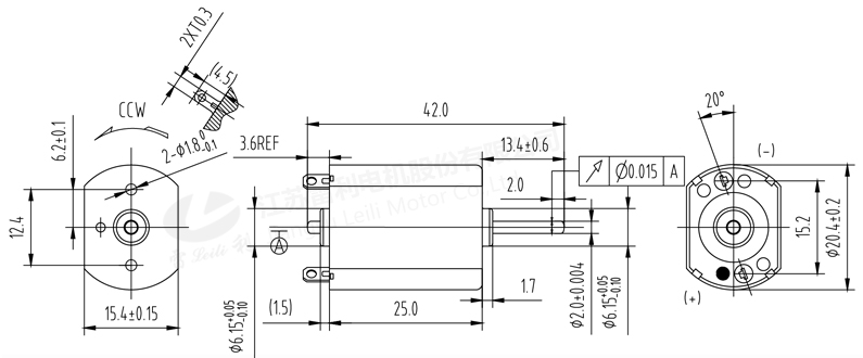
机械尺寸

产品介绍