产品参数
30BY46L永磁HB步进电机一般为两相,转矩和体积较小,步进角一般为7.5度或15度。电机里有转子和定子两部分:可以是定子是线圈,转子是永磁铁;也可以是定子是永磁铁,转子是线圈。
| 电机型号 | 步距角 | 驱动方式 | 驱动电路 | 驱动电压 | 电流 | 线圈电阻 | 绝缘电阻 | 绝缘耐压 | 绝缘等级 |
| 30BY46L-2 | 24 (15°/Step) | 2-2 PHASE | UNIPOLAR CONST.VOLT | DC12[V] | 81[Ω] | 100M[Ω] MIN | AC 500[V] 1[min] | CLASS E |
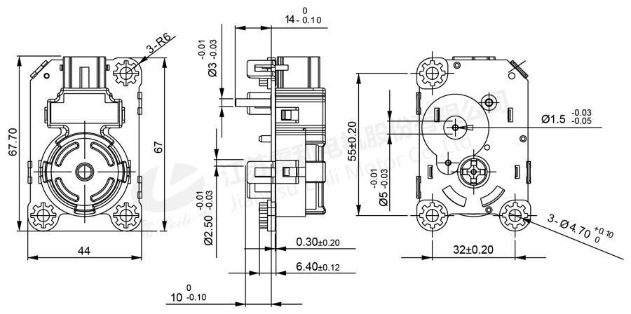
机械尺寸

产品介绍